Skip to main content
Meerdere Sessy's en...
 
Meldingen
Alles wissen

Meerdere Sessy's en een Victron omvormer

41 Berichten
9 Gebruikers
11 Reactions
3,477 Bekeken
(@wesley)
Berichten: 3
New Member
 

Mooie en duidelijke voorbeelden en uitleg, afgelopen weekend hier thuis ook alles gerealiseerd.

Net/Nood koppeling gemaakt (met vertraging van 10 seconden) zodat bij het wegvallen van het net de koelkast(en) en vriezer via de Victron/Sessy door kan blijven draaien. Nu via Homey een flow aan het creeëren dat ik de batterij op basis van zonverwachting en/of goedkope momenten de batterij met een minimaal percentage kan behouden zodat er bij een eventuele spanningsuitval nog voldoende voor deze koelkasten/vriezer aanwezig is. Gelukkig zijn de koelkasten en vriezer allen nieuw met een energie zuinig label.

De koelkast/vriezer aangesloten op een rode 4-voudige HAF3640 doos, zo kan ik, indien nodig, middels een verlengsnoer in geval van spanningsuitval nog wat kleine zaken laten werken (bijv. een losse lamp in de woning, radio opladen etc.) .

Mijn volgende stap is een MPPT regelaar toevoegen met 2 of 4 panelen op het garage dak. Zo kunnen de Sessy's bij spanningsuitval echt standalone draaien.
Nu heb ik de intentie om een victron MPPT regelaar aan te schaffen, maar ideeën en alternatieven zijn zeker welkom.


 
Geplaatst : 03/02/2026 11:55 am
 DJP
(@djp)
Berichten: 142
Estimable Member
Topic starter
 

@wesley Hier een Victron MPPT en die werkt naar behoren! Hou er wel rekening mee dat je wat extra logica in Homey moet gaan bouwen zodat je de Sessy kan ontladen als deze vol dreigt te raken en de zon schijnt nog 🙂 

Hier heb ik wat logica gemaakt die de Sessy met 1000W gaat ontladen als de MPPT meer als 100W produceert en de SOC >95% is. Het ontladen stopt weer als de SOC <85% is of de MPPT minder dan 100W doet. 


 
Geplaatst : 03/02/2026 8:27 pm
(@wesley)
Berichten: 3
New Member
 

@djp dank voor de info. 
kan je aangeven waarom die logica moet en het geen “luxe” is? Stel dat homey offline is? Regelt de mppt niet zelf het laadvermogen/laadspanning? Dus als de batterij vol is, dat de mppt regelaar stopt met laden.


 
Geplaatst : 03/02/2026 10:58 pm
 DJP
(@djp)
Berichten: 142
Estimable Member
Topic starter
 

@wesley Het is niet noodzakelijk... Als de Sessy 100% vol zit zal deze na een tijdje de status battery full geven en de 48VDC poort uitschakelen. De MPPT stop dan ook met laden. Veilig is het dus wel! Maar op dit moment (met salderen) is het wel zonde om die PV energie niet op te wekken...

 


 
Geplaatst : 04/02/2026 10:27 am
(@wesley)
Berichten: 3
New Member
 

@djp Dank en ben het eens dat het zonde is i.r.t. salderen, het sowieso zonde dat ik extra panelen moet kopen, omdat de rest met micro omvormers is uitgelegd op het schuine dak. maar goed, wil bij spanningsuitval (of erger) toch de batterijen kunnen benutten voor wat kleine zaken.


 
Geplaatst : 06/02/2026 11:27 am
(@lammerts)
Berichten: 9
Active Member
 

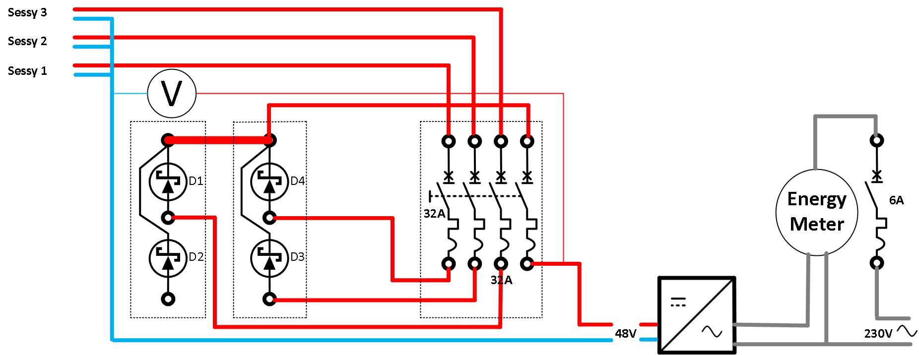
Ik heb op dit moment 3 Sessy's operationeel via Frank Dynamisch en Sessy Connect. Vervolgens via dit forum in aanraking gekomen het fenomeen "OFF-Grid" aansturen van Sessy's en ben vervolgens aan het ontwerpen/bouwen gegaan. Van Sessy heb ik netjes 3 connectoren toegestuurd gekregen die nodig zijn om de externe 48V poort te kunnen gebruiken.

Mijn setup bestaat uit een 3 tal onderdelen, Sessy Box, Omvormer, Connection Box

In de Sessybox worden de 3 Sessy poorten van 48V aan elkaar gekoppeld d.m.v. Schottky diodes en een zekering automaat. De automaat zekerd de afzonderlijke Sessy en vervolgens ook de uitgang zodat zowel de in als uitgaander spanning/stroom is gezekerd. De uitgang gaat vervolgens naar een omvormer die de 48V gelijkstroom omzet naar 230V Wisselstroom. De uitgang heb ik via een connectie box met energie meter en zekering automaat van 6A (6A x 230V = 1320W) beveiligd. 

In de bijlagen een overzicht van de setup. 

 

 
 
 
 
 

Dit bericht is gewijzigd 2 maanden geleden 5 keer door Lammerts
 
Geplaatst : 01/03/2026 3:59 pm
Tuxxie reageerde
(@lammerts)
Berichten: 9
Active Member
 

Geplaatst door: @lammerts

Ik heb op dit moment 3 Sessy's operationeel via Frank Dynamisch en Sessy Connect. Vervolgens via dit forum in aanraking gekomen het fenomeen "OFF-Grid" aansturen van Sessy's en ben vervolgens aan het ontwerpen/bouwen gegaan. Van Sessy heb ik netjes 3 connectoren toegestuurd gekregen die nodig zijn om de externe 48V poort te kunnen gebruiken.

Mijn setup bestaat uit een 3 tal onderdelen, Sessy Box, Omvormer, Connection Box

 

Meeste parts afkomstig van Amazon.

 

Verdeelkast                  B09VKTGGXQ
Zekering automaat        B0BFKW3ZMP
6mm2 kabel                 B09CH2V3F6
Kabelschoen 6mm2       B0DY1CD6WZ
Schottky Diode Brug     B0BTTB5BS9
LED meter 5-48V          B0G1SX2D37

Verdeelbox                   B08JV9G64H
Energiemeter                B0F5Q8S3VV
Zekering automaat 6A   B008XJLHN4

Kabel van Sessy naar Box is 6mm2 PV/Solar kabel te verkrijgen via lokale PV leverancier

 


Dit bericht is gewijzigd 2 maanden geleden door Lammerts
 
Geplaatst : 01/03/2026 4:12 pm
 DJP
(@djp)
Berichten: 142
Estimable Member
Topic starter
 

@lammerts Ziet er netjes uit! Hoe bevallen die diodes? Worden die niet snel warm/heet?


 
Geplaatst : 01/03/2026 10:49 pm
(@lammerts)
Berichten: 9
Active Member
 

@djp 

ik ben nog niet in gelegenheid geweest om  op/nabij max vermogen of over langere periode te testen. 
De diodes hebben een hogere rating als max stroom die er wordt genomen


 
Geplaatst : 02/03/2026 1:36 pm
 DJP
(@djp)
Berichten: 142
Estimable Member
Topic starter
 

@lammerts vermogen zal wel goed gaan. Ik zou vooral de temperatuur in de gaten houden. Dit type diode blok wil bij wat hogere vermogens nog wel eens goed warm worden…


 
Geplaatst : 03/03/2026 9:09 pm
(@lammerts)
Berichten: 9
Active Member
 

Dank voor de update, ik zal het in de gaten houden, anders monteer ik een extra koelblok aan onderkant, beiden zijn nu gemonteerd op een aluminium plaat.

In theorie zal 1 Sessy/diode de meeste stroom leveren met een max van +- 25A/1200W volgens mij (door Sessy beveiligd)


Dit bericht is gewijzigd 1 maand geleden 3 keer door Lammerts
 
Geplaatst : 03/03/2026 9:37 pm
Pagina 3 / 3
Deel: